論理回路
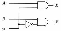
問25
図の論理回路において、S = 1、R = 1、X = 0、Y = 1のとき、Sを一旦0にした後、再び1に戻した。この操作を行った後のX、Yの値はどれか。

ア X = 0、Y = 0
イ X = 0、Y = 1
ウ X = 1、Y = 0
エ X = 1、Y = 1
問22
次の回路の入力と出力の関係として、正しいものはどれか。

ア イ
┌───────┬───┐ ┌───────┬───┐
│ 入力 │ 出力 │ │ 入力 │ 出力 │
├───┬───┼───┤ ├───┬───┼───┤
│ A │ B │ X │ │ A │ B │ X │
├───┼───┼───┤ ├───┬───┼───┤
│ 0 │ 0 │ 0 │ │ 0 │ 0 │ 0 │
├───┼───┼───┤ ├───┬───┼───┤
│ 0 │ 1 │ 0 │ │ 0 │ 1 │ 1 │
├───┼───┼───┤ ├───┬───┼───┤
│ 1 │ 0 │ 0 │ │ 1 │ 0 │ 1 │
├───┼───┼───┤ ├───┬───┼───┤
│ 1 │ 1 │ 1 │ │ 1 │ 1 │ 0 │
└───┴───┴───┘ └───┴───┴───┘
ウ エ
┌───────┬───┐ ┌───────┬───┐
│ 入力 │ 出力 │ │ 入力 │ 出力 │
├───┬───┼───┤ ├───┬───┼───┤
│ A │ B │ X │ │ A │ B │ X │
├───┼───┼───┤ ├───┬───┼───┤
│ 0 │ 0 │ 1 │ │ 0 │ 0 │ 1 │
├───┼───┼───┤ ├───┬───┼───┤
│ 0 │ 1 │ 0 │ │ 0 │ 1 │ 1 │
├───┼───┼───┤ ├───┬───┼───┤
│ 1 │ 0 │ 0 │ │ 1 │ 0 │ 1 │
├───┼───┼───┤ ├───┬───┼───┤
│ 1 │ 1 │ 0 │ │ 1 │ 1 │ 0 │
└───┴───┴───┘ └───┴───┴───┘
問22
二つの入力と一つの出力をもつ論理回路で、二つの入力A、Bがともに1のときだけ、出力Xが0になる回路はどれか。
┌────┐
A─┤ │
│ ├─X
B─┤ │
└────┘
ア AND回路
イ NAND回路
ウ OR回路
エ XOR回路
次の条件を満足する論理回路はどれか。
〔条件〕
階段の上下にあるスイッチA又はBで、一つの照明を点灯・消灯する。
すなわち、一方のスイッチの状態にかかわらず、他方のスイッチで
照明を点灯・消灯できる。
┌──────┐
スイッチA──┤ │
│ 論理回路 ├─ 出力(照明)
スイッチB──┤ │
└──────┘
ア AND イ NAND ウ NOR エ XOR
- 今日:
- 昨日:
- 累計:
- ARP
- BNF
- B面コレクション
- DHCP
- DMZ
- DNS
- DRAM
- ERP
- EVM
- EXCEL
- HTTP
- IoT
- IPアドレス
- ITサービスマネジメント
- JIS
- LRU
- MTBF
- MTTR
- NAPT
- PMBOK
- PPP
- SCM
- SDN
- SIEM
- SOA
- SQL
- SRAM
- SSID
- TLS
- UDP
- UML
- WORD
- アクティビティ図
- アジャイル開発
- アルゴリズム
- アローダイアグラム
- エアコン
- オブジェクト指向
- キャッシュメモリ
- クラス図
- クリティカルパス
- クロスサイトスクリプティング
- ケーキ
- コンビニ
- サザンオールスターズ
- サブネットマスク
- システム監査
- シャンプー
- シングルCD
- スタック
- スマホ
- データマイニング
- ディープラーニング
- ディジタル署名
- デッドロック
- トランザクション
- ハッシュ関数
- バスタブ曲線
- バックアップ
- バランススコアカード
- ビール
- ビッグデータ
- フェールセーフ
- フェールソフト
- ブルートフォース攻撃
- ベンチマーキング
- ペアプログラミング
- マクドナルド
- マスク
- マルウェア
- ユースケース図
- ラーメン
- ルータ
- レジ袋
- ロールバック
- ロールフォワード
- 王将
- 可用性
- 稼働率
- 過去問
- 解説
- 解答
- 確定申告
- 完全性
- 監査
- 機密性
- 技術士
- 共通鍵暗号方式
- 固定費
- 公開鍵暗号方式
- 自転車
- 状態遷移図
- 信頼性
- 人間ドック
- 請負契約
- 台風
- 論理回路
- 論理積
- 論理和
- 餃子










